星空网·官方端网站_星空(中国) -产品资料
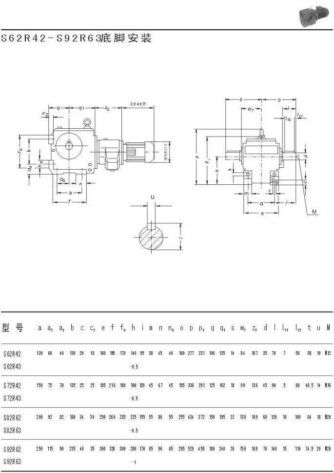
SA62R42-SA96R63底脚安装
上一页
下一页
上一页
下一页
Copyright © 2007 - 2026 All Rights Reserved 安徽威帆传动 ikjsa.com