TOP
JZQ型圆柱齿轮减速机- 星空网·官方端网站_星空(中国) ::欢迎您 安徽减速机,合肥减速机,合肥传动机械,摆线针轮减速机,电动滚筒,丝杆升降机,ikjsa.com

星空网·官方端网站_星空(中国)

 传动机械 >> JZQ型圆柱齿轮减速机

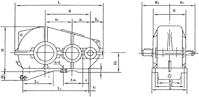
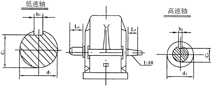
JZQ型圆柱齿轮减速机

点击数:22647  录入时间:2022/10/25


返回上级产品